RS030N机器人
高速、高性能的行业机器人
R系列机器人为所有小中型工业机器人设定了基准。紧凑的设计和杰出的速度、伸展距离和工作范围使R系列机器人适用于遍及众多不同行业的广泛应用范围。
RS030N机器人概述:
负载 30 kg
最大臂展 2,100 mm
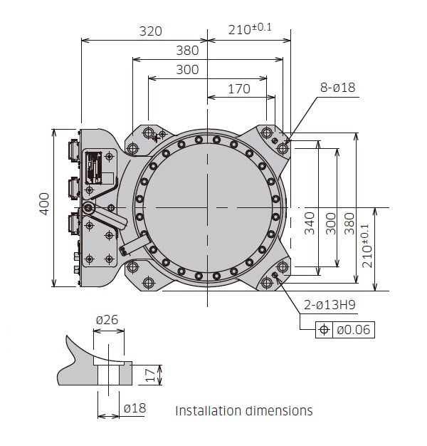
RS030N机器人的规格
| RS030N的规格 | |||
| 手臂类型 | 多关节型机器人 | ||
|---|---|---|---|
| 自由度(轴) | 6 | ||
| 最大负载能力(kg) | 30 | ||
| 最大臂展(mm) | 2,100 | ||
| 重复定位精度(mm)✽1 | ±0.06 | ||
| 动作范围(°) | 手臂旋转 (JT1) | ±180 | |
| 手臂前后 (JT2) | +140 - -105 | ||
| 手臂上下 (JT3) | +135 - -155 | ||
| 手腕旋转 (JT4) | ±360 | ||
| 手腕弯曲 (JT5) | ±145 | ||
| 手腕扭转 (JT6) | ±360 | ||
| 最大速度(°/s) | 手臂旋转 (JT1) | 180 | |
| 手臂前后 (JT2) | 180 | ||
| 手臂上下 (JT3) | 185 | ||
| 手腕旋转 (JT4) | 260 | ||
| 手腕弯曲 (JT5) | 260 | ||
| 手腕扭转 (JT6) | 360 | ||
| 允许负载扭矩(N•m) | 手腕旋转 (JT4) | 210 | |
| 手腕弯曲 (JT5) | 210 | ||
| 手腕扭转 (JT6) | 130 | ||
| 允许负载惯量(kg•m2) | 手腕旋转 (JT4) | 16.8 | |
| 手腕弯曲 (JT5) | 16.8 | ||
| 手腕扭转 (JT6) | 6.6 | ||
| 重量(kg) | 555 | ||
| 安装方式 | 地面, 悬挂 | ||
| 安装条件 | 环境温度(°C) | 0 - 45 | |
| 相对湿度(%) | 35 - 85(无结露) | ||
| 控制柜 / 所需电源 (kVA) | F02 / 7.5 | ||
| 保护等级 | 手腕: IP67同等 基座: IP65同等 | ||
✽1: 以ISO9283为基准。



