RS003N机器人
高速、高性能的行业机器人
R系列机器人为所有小中型工业机器人设定了基准。紧凑的设计和杰出的速度、伸展距离和工作范围使R系列机器人适用于遍及众多不同行业的广泛应用范围。
RS003N机器人概述:
负载 180 kg
最大臂展 3,255 mm
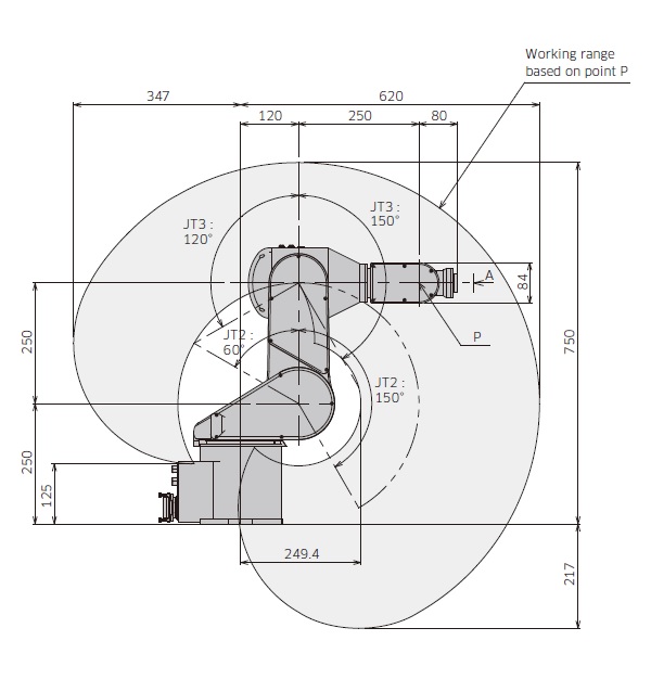
RS003N机器人的规格
| RS003N的规格 | |||
| 手臂类型 | 多关节型机器人 | ||
|---|---|---|---|
| 自由度 (轴) | 6 | ||
| 最大负载能力 (kg) | 3 | ||
| 最大臂展 (mm) | 620 | ||
| 重复定位精度 (mm) ✽1 | ±0.02 | ||
| 动作范围 (°) | 手臂旋转 (JT1) | ±160 | |
| 手臂前后 (JT2) | +150 - −60 | ||
| 手臂上下 (JT3) | +120 - −150 | ||
| 手腕旋转 (JT4) | ±360 | ||
| 手腕弯曲 (JT5) | ±135 | ||
| 手腕扭转 (JT6) | ±360 | ||
| 最大速度 (°/s) | 手臂旋转 (JT1) | 360 | |
| 手臂前后 (JT2) | 250 | ||
| 手臂上下 (JT3) | 225 | ||
| 手腕旋转 (JT4) | 540 | ||
| 手腕弯曲 (JT5) | 225 | ||
| 手腕扭转 (JT6) | 540 | ||
| 允许负载扭矩 (N•m) | 手腕旋转 (JT4) | 5.8 | |
| 手腕弯曲 (JT5) | 5.8 | ||
| 手腕扭转 (JT6) | 2.9 | ||
| 允许负载惯量 (kg•m2) | 手腕旋转 (JT4) | 0.12 | |
| 手腕弯曲 (JT5) | 0.12 | ||
| 手腕扭转 (JT6) | 0.03 | ||
| 重量 (kg) | 20 | ||
| 安装方式 | 地面, 悬挂 | ||
| 安装条件 | 环境温度 (°C) | 0 - 45 | |
| 相对湿度 (%) | 35 - 85 (无结露) | ||
| 控制柜 / 所需电源 (kVA) | F60 / 2.0 | ||
| 保护等级 | IP54同等 | ||
✽1: 以ISO9283为基准。



