BX100S机器人
优化的车身车间机器人
BX系列最小型机器人,线缆内置,更适合设置小型轻量焊枪以及机器人设置在工件周边的高密度配置。
BX100S机器人概述:
负载 100 kg
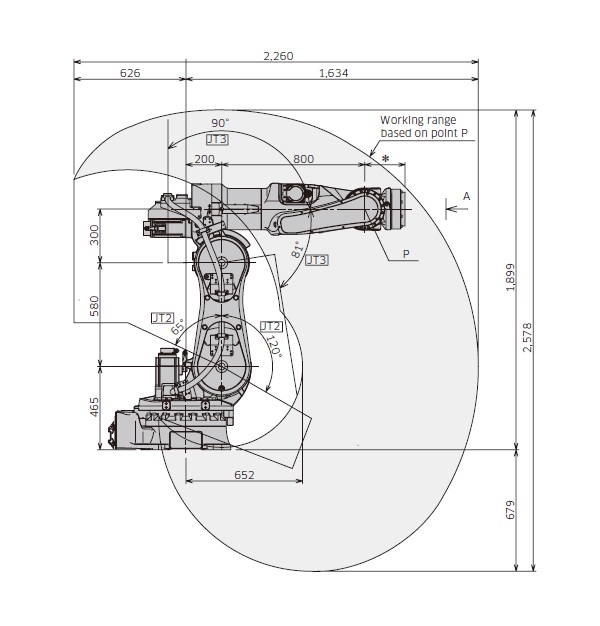
最大臂展 1,634 mm
BX100S机器人的规格
| BX100S的规格 | |||
| 手臂类型 | 多关节型机器人 | ||
|---|---|---|---|
| 自由度 (轴) | 6 | ||
| 最大负载能力 (kg) | 100 | ||
| 最大臂展 (mm) | 1,634 | ||
| 重复定位精度 (mm)✽1 | ±0.06 | ||
| 动作范围 (°) | 手臂旋转 (JT1) | ±160 | |
| 手臂前后 (JT2) | +120 - -65 | ||
| 手臂上下 (JT3) | +90 - -81 | ||
| 手腕旋转 (JT4) | ±210 | ||
| 手腕弯曲 (JT5) | ±125 | ||
| 手腕扭转 (JT6) | ±210 | ||
| 最大速度 (°/s) | 手臂旋转 (JT1) | 135 | |
| 手臂前后 (JT2) | 125 | ||
| 手臂上下 (JT3) | 155 | ||
| 手腕旋转 (JT4) | 200 | ||
| 手腕弯曲 (JT5) | 160 | ||
| 手腕扭转 (JT6) | 300 | ||
| 允许负载扭矩 (N•m) | 手腕旋转 (JT4) | 830 | |
| 手腕弯曲 (JT5) | 830 | ||
| 手腕扭转 (JT6) | 441 | ||
| 允许负载惯量 (kg•m2) | 手腕旋转 (JT4) | 85 | |
| 手腕弯曲 (JT5) | 85 | ||
| 手腕扭转 (JT6) | 45 | ||
| 重量 (kg) | 720 | ||
| 安装方式 | 地面 | ||
| 安装条件 | 环境温度 (°C) | 0 - 45 | |
| 相对湿度 (%) | 35 - 85 (无结露) | ||
| 控制柜 / 所需电源 (kVA) | E02 / 7.5 | ||
| 保护等级 | 手腕 : IP67同等 基座 : IP54同等 | ||
✽1: 以ISO9283为基准。



