MT400N机器人
高手腕力矩机器人
基于丰富的经验和技术而研发出来的大型重物搬运机器人MX系列。具有350kg负载以及3,018mm的超大工作范围。采用川崎单独开发的设备,在实现了机身紧凑的同时可进行大负载的搬运。
MT400N机器人概述:
负载400 kg
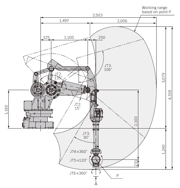
最大臂展3,503 mm
MT400N机器人的规格
| MT400N的规格 | |||
| 手臂类型 | 多关节型机器人 | ||
|---|---|---|---|
| 自由度 (轴) | 6 | ||
| 最大负载能力 (kg) | 400 | ||
| 最大臂展 (mm) | 3,503 | ||
| 重复定位精度 (mm)✽1 | ±0.5 | ||
| 动作范围 (°) | 手臂旋转 (JT1) | ±180 | |
| 手臂前后 (JT2) | +15 - -135 | ||
| 手臂上下 (JT3) | +106 - -30 | ||
| 手腕旋转 (JT4) | ±360 | ||
| 手腕弯曲 (JT5) | ±120 | ||
| 手腕扭转 (JT6) | ±360 | ||
| 最大速度 (°/s) | 手臂旋转 (JT1) | 80 | |
| 手臂前后 (JT2) | 70 | ||
| 手臂上下 (JT3) | 70 | ||
| 手腕旋转 (JT4) | 70 | ||
| 手腕弯曲 (JT5) | 70 | ||
| 手腕扭转 (JT6) | 130 | ||
| 允许负载扭矩 (N•m) | 手腕旋转 (JT4) | 2,150 | |
| 手腕弯曲 (JT5) | 2,150 | ||
| 手腕扭转 (JT6) | 980 | ||
| 允许负载惯量 (kg•m2) | 手腕旋转 (JT4) | 200 | |
| 手腕弯曲 (JT5) | 200 | ||
| 手腕扭转 (JT6) | 147 | ||
| 重量 (kg) | 2,600 | ||
| 安装方式 | 支架 | ||
| 安装条件 | 环境温度 (°C) | 0 - 45 | |
| 相对湿度 (%) | 35 - 85 (无结露) | ||
| 控制柜 / 所需电源 (kVA) | F02 / 7.5 | ||
✽1: 以ISO9283为基准。



