RD080N机器人
新型高速有力的码垛机器人
拥有杰出搬运水平的高速码垛机器人。 可对应食品、药品、印刷品等各行业的多种类少量化的生产需求。 同系列中重量最轻,最适用于提高码垛效率。
RD080N机器人概述:
负载 80 kg
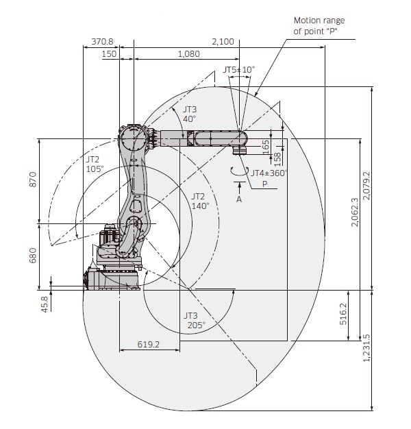
最大臂展 2,100 mm
RD080N机器人的规格
| RD080N的规格 | |||
| 手臂类型 | 多关节型机器人 | ||
|---|---|---|---|
| 自由度 (轴) | 5 | ||
| 最大负载能力 (kg) | 80 | ||
| 重复定位精度 (mm) ✽1 | ±0.07 | ||
| 最大臂展 (mm) | 2,100 | ||
| 动作范围 (°) | 手臂旋转 (JT1) | ±180 | |
| 手臂前后 (JT2) | +140 - -105 | ||
| 手臂上下 (JT3) | 40 - -205 | ||
| 手腕旋转 (JT4) | ±360 | ||
| 手腕弯曲 (JT5) | ±10 ✽2 | ||
| 最大速度 (°/s) | 手臂旋转 (JT1) | 180 | |
| 手臂前后 (JT2) | 180 | ||
| 手臂上下 (JT3) | 175 | ||
| 手腕旋转 (JT4) | 360 | ||
| 允许负载惯量 (kg•m2) | 13.7 | ||
| 处理能力 (次/时) ✽3 | 900 | ||
| 重量 (kg) | 540 | ||
| 安装方式 | 地面 | ||
| 安装条件 | 环境温度 (°C) | 0 - 45 | |
| 相对湿度 (%) | 35 - 85 (无结露) | ||
| 控制柜 / 所需电源 (kVA) | F03 / 12 | ||
✽1: 以ISO9283为基准。
✽2: JT5的动作角为±10°,相对于垂直向下的。
✽3: 动作方式(上升400mm, 水平运动2,000mm,下降400mm的往复运动)



